- Network Theory - Home
- Network Theory - Overview
- Example Problems
- Network Theory - Active Elements
- Network Theory - Passive Elements
- Network Theory - Kirchhoff’s Laws
- Electrical Quantity Division Principles
- Network Theory - Nodal Analysis
- Network Theory - Mesh Analysis
- Network Theory - Equivalent Circuits
- Equivalent Circuits Example Problem
- Delta to Star Conversion
- Star to Delta Conversion
- Network Theory - Network Topology
- Network Topology Matrices
- Superposition Theorem
- Thevenin’s Theorem
- Network Theory - Norton’s Theorem
- Maximum Power Transfer Theorem
- Response of DC Circuits
- Response of AC Circuits
- Network Theory - Series Resonance
- Parallel Resonance
- Network Theory - Coupled Circuits
- Two-Port Networks
- Two-Port Parameter Conversions
- Network Theory - Filters
Network Theory - Nortons Theorem
Nortons theorem is similar to Thevenins theorem. It states that any two terminal linear network or circuit can be represented with an equivalent network or circuit, which consists of a current source in parallel with a resistor. It is known as Nortons equivalent circuit. A linear circuit may contain independent sources, dependent sources and resistors.
If a circuit has multiple independent sources, dependent sources, and resistors, then the response in an element can be easily found by replacing the entire network to the left of that element with a Nortons equivalent circuit.
The response in an element can be the voltage across that element, current flowing through that element or power dissipated across that element.
This concept is illustrated in following figures.
Nortons equivalent circuit resembles a practical current source. Hence, it is having a current source in parallel with a resistor.
The current source present in the Nortons equivalent circuit is called as Nortons equivalent current or simply Nortons current IN.
The resistor present in the Nortons equivalent circuit is called as Nortons equivalent resistor or simply Nortons resistor RN.
Methods of Finding Nortons Equivalent Circuit
There are three methods for finding a Nortons equivalent circuit. Based on the type of sources that are present in the network, we can choose one of these three methods. Now, let us discuss these three methods one by one.
Method 1
Follow these steps in order to find the Nortons equivalent circuit, when only the sources of independent type are present.
Step 1 − Consider the circuit diagram by opening the terminals with respect to which, the Nortons equivalent circuit is to be found.
Step 2 − Find the Nortons current IN by shorting the two opened terminals of the above circuit.
Step 3 − Find the Nortons resistance RN across the open terminals of the circuit considered in Step1 by eliminating the independent sources present in it. Nortons resistance RN will be same as that of Thevenins resistance RTh.
Step 4 − Draw the Nortons equivalent circuit by connecting a Nortons current IN in parallel with Nortons resistance RN.
Now, we can find the response in an element that lies to the right side of Nortons equivalent circuit.
Method 2
Follow these steps in order to find the Nortons equivalent circuit, when the sources of both independent type and dependent type are present.
Step 1 − Consider the circuit diagram by opening the terminals with respect to which the Nortons equivalent circuit is to be found.
Step 2 − Find the open circuit voltage VOC across the open terminals of the above circuit.
Step 3 − Find the Nortons current IN by shorting the two opened terminals of the above circuit.
Step 4 − Find Nortons resistance RN by using the following formula.
$$R_N = \frac{V_{OC}}{I_N}$$
Step 5 − Draw the Nortons equivalent circuit by connecting a Nortons current IN in parallel with Nortons resistance RN.
Now, we can find the response in an element that lies to the right side of Nortons equivalent circuit.
Method 3
This is an alternate method for finding a Nortons equivalent circuit.
Step 1 − Find a Thevenins equivalent circuit between the desired two terminals. We know that it consists of a Thevenins voltage source, VTh and Thevenins resistor, RTh.
Step 2 − Apply source transformation technique to the above Thevenins equivalent circuit. We will get the Nortons equivalent circuit. Here,
Nortons current,
$$I_N = \frac{V_{Th}}{R_{Th}}$$
Nortons resistance,
$$R_N = R_{Th}$$
This concept is illustrated in the following figure.
Now, we can find the response in an element by placing Nortons equivalent circuit to the left of that element.
Note − Similarly, we can find the Thevenins equivalent circuit by finding a Nortons equivalent circuit first and then apply source transformation technique to it. This concept is illustrated in the following figure.
This is the Method 3 for finding a Thevenins equivalent circuit.
Example
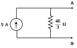
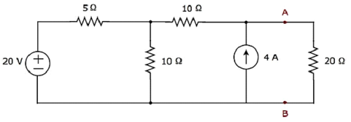
Find the current flowing through 20 Ω resistor by first finding a Nortons equivalent circuit to the left of terminals A and B.
Let us solve this problem using Method 3.
Step 1 − In previous chapter, we calculated the Thevenins equivalent circuit to the left side of terminals A & B. We can use this circuit now. It is shown in the following figure.
Here, Thevenins voltage, $V_{Th} = \frac{200}{3} V$ and Thevenins resistance, $R_{Th} = \frac{40}{3} \Omega$
Step 2 − Apply source transformation technique to the above Thevenins equivalent circuit. Substitute the values of VTh and RTh in the following formula of Nortons current.
$$I_N = \frac{V_{Th}}{R_{Th}}$$
$$I_N = \frac{\frac{200}{3}}{\frac{40}{3}} = 5A$$
Therefore, Nortons current IN is 5 A.
We know that Nortons resistance, RN is same as that of Thevenins resistance RTh.
$$\mathbf {R_N = \frac{40}{3} \Omega}$$
The Nortons equivalent circuit corresponding to the above Thevenins equivalent circuit is shown in the following figure.
Now, place the Nortons equivalent circuit to the left of the terminals A & B of the given circuit.
By using current division principle, the current flowing through the 20 resistor will be
$$I_{20 \Omega} = 5 \lgroup \frac{\frac{40}{3}}{\frac{40}{3} + 20} \rgroup$$
$$I_{20 \Omega} = 5 \lgroup \frac{40}{100} \rgroup = 2A$$
Therefore, the current flowing through the 20 Ω resistor is 2 A.